商鋪名稱:東莞市金中液壓有限公司
聯系人:李小姐(小姐)
聯系手機:
固定電話:
企業郵箱:kingke188@163.com
聯系地址:廣東省東莞市南城區白馬宏成國際五金機電批發城A03棟119號
郵編:523070
聯系我時,請說是在焊材網上看到的,謝謝!



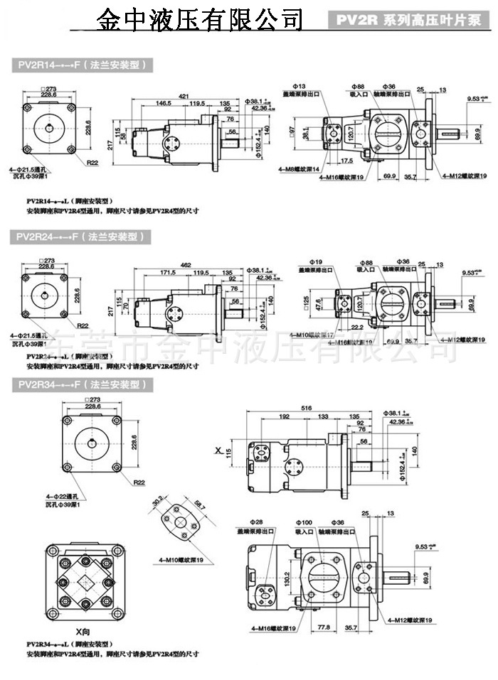
PV2R系列高壓低噪聲葉片泵是我公司獨立研制開發的國產化高性能產品,具有性能先進,結構合理,可靠性好,噪聲低,脈動極小,質量穩定的特點。產品精工制造,特別適應高精度低噪聲設備的要求,廣泛應用于切削機械、塑料機械、皮革機械、鍛壓機械、工程機械等領域。

產品型號
理論排量
(mL/r)最高壓力
(MPa)允許轉速
(r/min)驅動功率
(kW)重量
(kg)高壓用特定抗磨液壓油普通液壓油最低
Min.最高
注:1. 公稱排量“4”、“6”、“8”泵,壓力超過16MPa使用時,轉速應超過1450r/min。
2. 在高轉速下使用大排量單泵及相應的雙泵時,應減少吸入口負壓。
3. 使用合成液壓油及含水液壓液時,最高轉速限制在1200r/min。
4. 對于特別要求低噪音的場合,建議工作轉速選用1000r/min。
5. 噪聲值是在P=14MPa、n=1200r/min的工況下。
6. 驅動功率是在P=16MPa、n=1500r/min的工況下。




一、十三年制造經驗優勢
13年的行業經驗,金中成立至今,在各種機械行業積累了3000多個客戶,有著豐富的行業經驗;根據這些經驗的積累,可以更靈活的依據據客戶的需求,提供更適合的設計方案和配件選型。
二、技術領先優勢
擁有多項國家專利技術。金中液壓創始人從上世紀末就從事液壓行業,學習最新的技術,為了不同的領域不同需求的用戶提供最專業的、最合理的液壓動力系統解決方案。
三、配套服務優勢
多年的經營,行業的產業鏈,有很好的渠道,可提供產業的配套服務,為顧客節約大量的采購成本。公司提供OEM支持,如果客戶根據當地市場做特色的推廣時,我們將為您量身打造。
四、庫存充足,質量保證優勢
選進口的配件,材質過硬 ,專人監督生產,監督測試,100多道工序,質量更有保障。性價比高,更耐用!
五、交貨準時,誠信度高
依托珠三角,輻射全球,進出口方便,物流便利,穩定的配套供應商,全球一體化采購。
六、售前售后服務優勢
工廠到工廠的對接,實現生產廠家到使用廠家的直接轉換;擁有經驗豐富的服務保障團隊。
東莞市金中液壓有限公司以其可靠的液壓油泵、液壓系統產品質量和優質的售后服務,取得了良好的聲譽和名牌效益,近年已為鋼鐵冶金、有色金屬加工、水利工程、水利機械、輕工機械、化工機械、工程機械、機床等十多個行業數千家用戶成功地提供成套液壓系統、潤滑系統,并且出口到歐盟土耳其、韓國、印度、伊朗、泰國、越南、馬來西亞 、俄羅斯、南非、沙特等二十多個國家。 持續發展,互惠雙贏,金中公司全體員工衷心期待與海內外廣大新老客戶共創輝煌。

